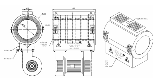
Описание:
Главным образом подходит для полностью прессованных частей, состоящий из нескольких обогревателей с охлаждением системы соединения, в зависимости от требований приложения, основные компоненты в расположение и количество может быть в системе, сжимая баллон полностью покрыт, есть равномерная температура, тепловое излучение снова расширяется и сделать более эффективным. Устраняет frictional жара, вызванные экструзии, согласно производственной потребности с разной температуры, сделанные до нескольких соединений ленты нагреватель с T2 Медный радиатор соединения, затем использовать фиксированного охлаждения корпуса установлен отдельно, Вентилятор поле Доступные соединения и установка блока выход воздуха, Обогреватели ленточные может быть заменен отдельно. Нагреватели могут выдерживать высокие температуры в 500 градусов по Цельсию, оба дома и за рубежом экструдера, инъекции формовочные машины ствола один самых передовых нагрева и охлаждения устройств. Рекомендуем этот нагреватель является очень высокая механическая температуры требования к контролю.
Таблица:
|
Мoдель |
Мoдель Экструдера |
Зона № |
Размер (мм) |
Напряжение (В) |
Мощность (ватт) |
Основные технические параметры |
|
LK-FTTC-Φ230X134 |
Двойной51/105 |
1 |
Φ230X134 |
380 |
3500 |
1. условия использования: температура окружающей среды -20 ~ + 60 ℃, относительная влажность < 80%
2. ток утечки: < 0.5mA
3. сопротивление изоляции: ≥ 5 М
4. заземление сопротивление: < 0,1 ω
5. напряжение: 1500V 1 мин без пробоя
6. степень температура: 500-800 c
7. мощность отклонение: + 5%-10%
|
|
LK-FTTC-Φ200X200 |
2 |
Φ200X200 |
380 |
3600 |
|
LK-FTTC-Φ185X210 |
3 |
Φ185X210 |
380 |
3600 |
|
LK-FTTC-Φ165/180 |
4 |
Φ165/180 |
380 |
2800 |
|
LK-FTTC-Φ240X265 |
Двойной55/110 |
1 |
Φ240X265 |
380 |
8000 |
|
LK-FTTC-Φ200X130 |
2 |
Φ200X130 |
380 |
2500 |
|
LK-FTTC-Φ200X195 |
3 |
Φ200X195 |
380 |
4000 |
|
LK-FTTC-Φ175X190 |
4 |
Φ175X190 |
380 |
3000 |
|
LK-FTTC-Φ265X290 |
Двойной65/132 |
1 |
Φ265X290 |
380 |
9000 |
|
LK-FTTC-Φ230X145 |
2 |
Φ230X145 |
380 |
3000 |
|
LK-FTTC-Φ230X245 |
3 |
Φ230X245 |
380 |
5000 |
|
LK-FTTC-Φ190X240 |
4 |
Φ190X240 |
380 |
4000 |
|
LK-FTTC-Φ320X310 |
Двойной80/156 |
1 |
Φ320X310 |
380 |
12000 |
|
LK-FTTC-Φ290X290 |
2 |
Φ290X290 |
380 |
8000 |
|
LK-FTTC-Φ260X265 |
3 |
Φ260X265 |
380 |
8000 |
|
LK-FTTC-Φ240X195 |
4 |
Φ240X195 |
380 |
4000 |
|
LK-FTTC-Φ240X200 |
5 |
Φ240X200 |
380 |
4000 |
|
LK-FTTC-Φ390X245 |
Двойной92/188 |
1 |
Φ390X245 |
380 |
9000 |
|
LK-FTTC-Φ365X310 |
2 |
Φ365X310 |
380 |
10000 |
|
LK-FTTC-Φ340X300 |
3 |
Φ340X300 |
380 |
8000 |
|
LK-FTTC-Φ315X490 |
4 |
Φ315X490 |
380 |
13000 |
|
LK-FTTC-Φ285X485 |
5 |
Φ285X485 |
380 |
12000 |
|
LK-FTTC-Φ65X165 |
Одинарный винт 25 |
Φ65X165 |
230 |
1000 |
|
LK-FTTC-Φ75X220 |
Одинарный винт 30 |
Φ75X220 |
230 |
1500 |
|
LK-FTTC-Φ90X280 |
Одинарный винт 45 |
Φ90X280 |
230 |
2200 |
|
LK-FTTC-Φ120X325 |
Одинарный винт 65 |
Φ120X325 |
230 |
4500 |
|
LK-FTTC-Φ140X420 |
Одинарный винт 75 |
Φ140X420 |
230 |
5000 |
|
LK-FTTC-Φ150X420 |
Одинарный винт 90 |
Φ150X420 |
220 |
6000 |
|
LK-FTTC-Φ175X460 |
Одинарный винт , 100 |
Φ175X460 |
220 |
7000 |
|
LK-FTTC-Φ210X530 |
Одинарный винт 120 |
Φ210X530 |
220 |
10000 |
|
LK-FTTC-Φ260X600 |
Одинарный винт 150 |
Φ260X600 |
230 |
12000 |
|
Примечание: Другие модели могут быть изготовлены по вашим спецификациям, смотрите в Памятку для заказчика |
Памятка для заказчика :
Пожалуйста, при заказе, указывайте следующее:
1. нагреватель точный диаметр и ширину (если допуски, просьба указать пределы толерантности)
2. напряжение и мощность
3. расположение отверстий термопары или порезы и размеров
4. проводка и местоположение (если внешнее расположение ограничено, в частности, просьба указать)
5. Вентилятор при необходимости
6. Если маркировка на потребности в жилье, указанием Лазерная маркировка
7. количество
8. условия поставки
* Лучше прислать нам чертежи и фото
